Aktiver Deckenkonvektor zum Heizen und Kühlen – Effiziente Deckentechnologie für moderne Gebäude
Die Anforderungen an moderne Gebäudetechnik steigen stetig. Architekten, Bauherren und Planer suchen nach Lösungen, die höchsten thermischen Komfort, nachhaltige Energieeffizienz, geräuscharmen Betrieb und ästhetische Integration in die Architektur verbinden. Besonders in energieeffizienten Neubauten, sanierten Bestandsgebäuden und Nichtwohngebäuden mit hohem Komfortanspruch stehen zentrale Fragen im Raum:
- Wie lassen sich Räume effektiv und leise beheizen und kühlen?
- Wie kann ein angenehmes Raumklima geschaffen werden – ohne sichtbare Technik, ohne Zugluft, ohne hohe Betriebskosten?
Unser neuer aktiver Deckenkonvektor zum Heizen und Kühlen bietet genau hier die passende Antwort. Er kombiniert modernste Wasser-basierte Klimatechnik mit intelligenter Luftführung und überzeugt durch eine dezente Installation in der Decke – ganz ohne sichtbare Heizkörper oder sperrige Klimageräte. Damit eignet er sich ideal für Gebäude mit höchsten Anforderungen an Energieeffizienz, Raumgestaltung und Luftqualität.
Egal ob im Büro, Hotel, Bildungsbau oder privaten Wohnbau: Der aktive Deckenkonvektor zum Heizen und Kühlen sorgt ganzjährig für ein behagliches Raumklima – energieeffizient, nahezu wartungsfrei und flüsterleise.
Was ist ein aktiver Deckenkonvektor zum Heizen und Kühlen?
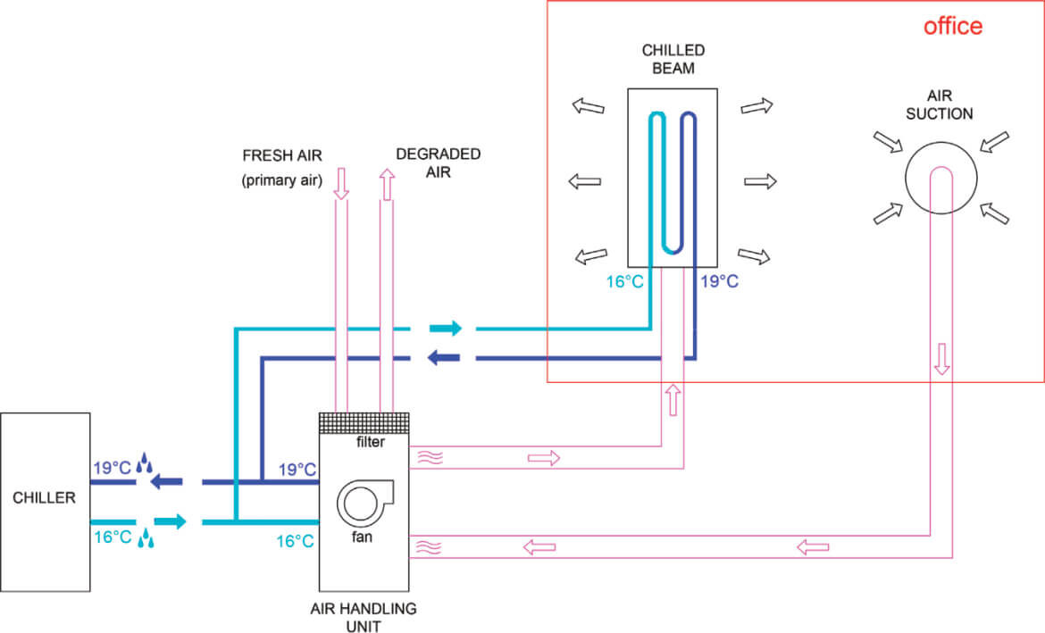
Ein aktiver Deckenkonvektor zum Heizen und Kühlen – auch bekannt unter dem Begriff „chilled beam“ – ist ein innovatives, deckengebundenes Klimasystem, das sowohl Wärme als auch Kälte effizient über Wasser transportiert. Die abgegebene Energie wird durch eine Kombination aus Konvektion und Strahlung sanft an den Raum abgegeben – ohne spürbare Luftbewegung, ohne Geräusche und ohne sichtbare Technik.
Im Gegensatz zu klassischen Heizkörpern oder Split-Klimageräten verzichtet ein aktiver Deckenkonvektor zum heizen und Kühlen auf stromintensive Ventilatoren im Raum. Stattdessen nutzt er den physikalischen Induktionseffekt, um Raumluft durch einen Wärmetauscher zu führen und anschließend wieder in den Raum einzubringen – temperiert und gleichmäßig verteilt.
Die Bezeichnung „aktiv“ weist auf die Einbindung von Primärluft aus einer zentralen Lüftungsanlage hin. Diese Luft wird durch spezielle Düsen in die Deckenstrahlplatte eingeblasen und unterstützt die Luftumwälzung im Raum. Dadurch kann neben dem Heizen und Kühlen auch die Frischluftversorgung sichergestellt werden – ein entscheidender Vorteil gegenüber passiven Systemen, die ausschließlich über Temperaturunterschiede arbeiten.
Das macht den aktiven Deckenkonvektor zum Heizen und Kühlen zu einem vollwertigen Klimagerät, das gleich drei Funktionen übernimmt:
- Kühlen im Sommer – effizient und leise über den Deckenbereich
- Heizen im Winter – mit gleichmäßiger, angenehmer Wärmestrahlung
- Frischluftversorgung – durch Integration in zentrale Lüftungskonzepte
Dank der kompakten Bauweise, der verdeckten Installation in der Decke und der hohen Energieeffizienz ist dieses System ideal für den nicht-invasiven Einbau in moderne Neubauten oder sanierte Bestandsgebäude, insbesondere in sensiblen Bereichen.

Die Vorteile im Überblick?
- Ganzjähriger Komfort: Kühlen im Sommer, Heizen im Winter – alles über die Decke
- Hohe Energieeffizienz: Nutzung von Wasser als Wärmeträger reduziert den Energiebedarf im Vergleich zu Luftsystemen
- Geräuscharm: Ohne bewegliche Teile im Raum – ideal für Büros, Hotels und Bildungseinrichtungen
- Kombinierbar mit RLT-Systemen: Einbindung von Frischluft für ideale Raumluftqualität
- Platzsparend: Keine sichtbaren Heizkörper oder Klimageräte nötig
- Wartungsarm: Robuste Technik mit geringem Instandhaltungsaufwand

Wie funktioniert ein aktiver Deckenkonvektor zum Heizen und Kühlen?
EIn aktiver Deckenkonvektor zum Heizen und Kühlen (auch als „Induktionseinheit“) kombiniert zwei zentrale Funktionen in einem Gerät: temperieren mit Wasser und Luftverteilung mit Zuluft. Er ist fest an das hydraulische Heiz- und Kühlsystem des Gebäudes angeschlossen und wird zusätzlich mit Primärluft aus einer zentralen Lüftungsanlage versorgt.
Die Zuluft wird über präzise Düsen in das Gerät eingeblasen. Dabei entsteht ein sogenannter Induktionseffekt: Die einströmende Primärluft erzeugt einen leichten Unterdruck im Gerät, der dazu führt, dass Raumluft von unten durch den eingebauten Wärmetauscher angesogen wird. Dort wird er entweder gekühlt oder erwärmt – abhängig von der Wassertemperatur im Kreislauf.
Die temperierte Luft tritt anschließend gemeinsam mit der Primärluft in den Raum aus. Das Ergebnis ist eine intensive, gleichmäßige Luftumwälzung, die ohne spürbare Zugluft für ein behagliches Raumklima sorgt.
Der Clou: Die Heiz- oder Kühlleistung erfolgt größtenteils über Konvektion, ergänzt durch strahlungsbasierte Temperaturübertragung über die Deckenfläche – besonders angenehm für den menschlichen Körper. Passend zu dieser Art der Wärmeübertagung passt auch diese Lösung Deckenkühlung Delgado Lamelle.

Anwendungsbereiche
Unser aktiver Deckenkonvektor zum Heizen und Kühlen eignet sich ideal für:
- Büro- und Verwaltungsgebäude
- Hotels und Konferenzräume
- Schulen und Hochschulen
- Krankenhäuser und Pflegeeinrichtungen
- Neubauten und energetisch sanierte Bestandsgebäude
Worauf muss geachtet werden?
Damit ein aktiver Deckenkonvektor zum Heizen und Kühlen dauerhaft effizient, sicher und komfortabel betrieben werden kann, sind einige wichtige Planungs. und Betriebsaspekte zu beachten:
- Taupunktkontrolle:
Beim Kühlbetrieb muss die Vorlauftemperatur des Wassers immer oberhalb der Taupunkttemperatur der Raumluft liegen – typischerweise bei 15–17 °C. Wird dieser Wert unterschritten, besteht die Gefahr der Kondensatbildung an der Wärmetauscheroberfläche, was zu Feuchtigkeitsschäden, Hygienerisiken und Geräteschäden führen kann.
LÖSUNG: Integration eines Taupunktfühlers bzw. automatisierter Regler, die bei Erreichen des Grenzwertes die Kühlleistung reduzieren oder abschalten. - Feuchteregelung:
Ein ausgewogenes Lüftungskonzept ist essenziell – nicht nur zur Luftversorgung, sondern auch zur kontrollierten Entfeuchtung. Besonders bei hoher Außenluftfeuchte im Sommer kann ohne gezielte Entfeuchtung der Taupunkt schnell unterschritten werden.
LÖSUNG: Einsatz einer RLT-Anlage mit integrierter Entfeuchtungsfunktion oder zentraler Klimatisierung mit entsprechender Regelstrategie. - Mindestdeckenhöhe:
Für eine effektive Luftverteilung und um Zugluft zu vermeiden, sollte die Raumhöhe idealerweise mindestens 2,7 m betragen. In niedrigeren Räumen kann die Einströmgeschwindigkeit der Luft zu störenden Luftbewegungen im Aufenthaltsbereich führen.
HINWEIS: Bei niedrigeren Deckenhöhen können spezielle Düsenausführungen oder reduzierte Luftvolumenströme helfen. - Hydraulischer Abgleich:
Wie bei allen wassergeführten Systemen ist auch hier ein exakter hydraulischer Abgleich der Anlage notwendig, um eine gleichmäßige Temperaturverteilung und einen effizienten Betrieb sicherzustellen. - Intelligente Regelung:
Eine moderne Regelungstechnik mit Raum- und Feuchtefühlern, Heiz-/Kühlumschaltung, Nachtabsenkung und Präsenzsteuerung erhöht nicht nur den Komfort, sondern spart auch Energie. - Reinigung und Wartung:
Zwar ist ein aktiver Deckenkonvektor zum Heizen und Kühlen grundsätzlich wartungsarm, doch die Luftkanäle, Filter der RLT-Anlage und Wärmetauscherflächen sollten in regelmäßigen Abständen kontrolliert und bei Bedarf gereinigt werden, um die Leistung dauerhaft zu sichern.
Aktiver Deckenkonvektor Heizen und Kühlen 2 Rohr System indirekt
Aktiver Deckenkonvektor zum Heizen und Kühlen 4 Rohr System indirekt
Aktiver Deckenkonvektor zum Heizen und Kühlen 2 und 4 Rohr System sichtbar
Berechnung der Heiz- und Kühlleistung – aktiver Deckenkonvektor zum Heizen und Kühlen
Welche Daten werden benötigt?
Für eine belastbare Auslegung eines aktiven Deckenkonvektors (Heizen & Kühlen) sind folgende Eingangsdaten Pflicht um eine erste Annäherung zu erhalten:
- Temperatur der Zuluft aus der Lüftungsanlage
- Vor-/Rücklauftemperatur des Wasserkreislaufs
- gewünschte Raumtemperatur
- Luftvolumenstrom aus der Lüftungsanlage im Raum ankommend
- relative Luftfeuchtigkeit (für den Kühlfall)
- Taupunkt zur Kondensationsvermeidung sowie der gebäudeseitige Wärme- und Kältebedarf.
Aus diesen Parametern erfolgt die Dimensionierung der Düsen – es steht eine große Auswahl optimierter Düsengeometrien zur Verfügung, um Druckverlust, Schall und Leistung ideal auszubalancieren.
Heizen – Rechenweg & Beispiel
Ausgangspunkt sind die Wärmeströme aus Wasser- und Luftseite. Die Gesamt-Heizleistung ergibt sich aus:
Q_Heiz, gesamt = Q_Wasser + Q_Luft (inkl. Gehäuse-/Übertragungsanteile).
Beispielgerät (L = 3.000 mm, B = 592 mm, H = 207 mm) mit 75/65 °C VL/RL, Zuluft 21 °C, 191 m³/h Luftdurchsatz, Raum 20 °C:
- Düsenmodell: 11 oder 3F
- Heizleistung Wasser: 3.960 – 10.230 W
- Heizleistung Luft: 64 W
- Heizleistung gesamt: 4.124 – 10.294 W
- Geräuschpegel: 35 dB
Interpretation: Die Hauptleistung kommt aus der Wasserseite; die gewählte Düse beeinflusst Strahlführung, Induktion und damit die effektiv nutzbare Leistung im Raum bei gleichzeitig niedriger Schallemission.
Kühlen – Rechenweg & Beispiel
Im Kühlbetrieb gilt analog: Q_Kühl, gesamt = Q_Wasser + Q_Luft. Zusätzlich ist der Taupunkt kritisch: Oberflächentemperaturen und Zuluft müssen ≥ Taupunkt liegen, um Kondensat zu vermeiden. Beispiel (L = 3.000 mm, B = 592 mm, H = 207 mm) mit 13/15 °C VL/RL, Zuluft 16 °C, 191 m³/h, Raum 27 °C, Taupunkt 16 °C, rF 50 %:
- Düsenmodell: 11 oder 4C
- Kühlleistung Wasser: 2.230 – 3.668 W
- Kühlleistung Luft: 707 W
- Kühlleistung gesamt: 2.937 – 4.375 W
- Geräuschpegel: 28 dB
Hinweis: Die Luftseite leistet im Kühlfall spürbar mehr (Induktionskühlung). Mit einer passenden Düse wird die Zuluft optimal mit Raumluft vermischt, ohne Zugerscheinungen zu erzeugen – bei gleichzeitig sehr niedrigen dB-Werten.
Fazit – Aktiver Deckenkonvektor zum Heizen und Kühlen
Ein aktiver Deckenkonvektor vereint leise Heiz- und Kühlleistung mit effizienter Wassertechnik und intelligenter Luftführung – ideal, wenn Designfreiheit, Energieeffizienz und Komfort zugleich gefragt sind. Entscheidend für die richtige Auslegung sind klare Eingangsdaten (VL/RL-Temperaturen, Luftvolumenstrom, gewünschte Raumtemperatur, Taupunkt/rel. Feuchte sowie Wärme- und Kältebedarf); daraus folgt die Düsendimensionierung, die Leistung, Induktion und Schall gezielt in den Zielkorridor bringt. Im Heizfall dominiert die Wasserseite der Leistung, im Kühlbetrieb liefert die Luftseite dank Induktion spürbare Zusatzwirkung—bei konsequenter Taupunktkontrolle ohne Kondensationsrisiken. Wer Planungssicherheit möchte, setzt auf hydraulischen Abgleich und smarte Regelung (Raum-/Feuchtefühler, Umschaltung H/K), um dauerhaft niedrige Betriebskosten und behagliches Raumklima zu sichern.
Kurz: Komfort trifft Effizienz—skalierbar von Büro bis Hotel und perfekt für moderne Neubauten wie sanierte Bestandsgebäude. Noch leiser geht es mit dem Heiz- und Kühldeckensystem Delgado Metal zum Heizen und Kühlen.
Ein aktiver Deckenkonvektor ist ein wassergeführtes Deckenmodul, das über optimierte Düsen Zuluft einbläst, Raumluft induktiv mitreißt und so effizient heizt und kühlt. Ideal für Büros, Hotels, Besprechungsräume sowie hochwertige Sanierungen, wenn Komfort, Designfreiheit und Energieeffizienz gefragt sind.
Erforderlich sind Vor-/Rücklauftemperatur (VL/RL), Luftvolumenstrom, Zulufttemperatur, gewünschte Raumtemperatur, relative Luftfeuchte (Kühlen), Taupunkt, plus Wärme- und Kältebedarf. Auf Basis dieser Werte erfolgt die Düsendimensionierung (z. B. Typ 11/3F/4C) sowie die Schall- und Leistungsbewertung.
Die Gesamt-Heizleistung ergibt sich aus Wasserseite + Luftseite. Die Wasserseite trägt den Hauptanteil (abhängig von ΔT und Volumenstrom), die Luftseite liefert einen Zusatz durch Induktion. Passende Düsen erhöhen die nutzbare Leistung im Raum bei niedrigem Schallpegel.
Im Kühlfall gilt ebenfalls Wasser + Luft. Kritisch ist die Taupunktkontrolle: Oberflächen- und Zulufttemperaturen müssen ≥ Taupunkt liegen. Eine Feuchte-/Taupunktregelung (rF-Sensor) hält Reserve ein, damit kein Kondensat entsteht – bei spürbarer Induktionskühlung und zugfreier Luftführung.
Der Schallpegel hängt von Düse und Luftvolumenstrom ab. Durch die richtige Düsenauswahl und ein fein abgestimmtes Regelkonzept bleiben Anlagen typischerweise im angenehm leisen Bereich (z. B. 25–35 dB(A) je nach Auslegung), geeignet für Büro- und Hotelräume.
Bewährt sind raumseitige Temperatur- und Feuchtesensoren, Umschaltung Heizen/Kühlen, hydraulischer Abgleich, 0–10 V-Ventilansteuerung bzw. stetige Stellantriebe sowie bedarfsgerechte Luftmengenregelung. Das senkt Betriebskosten und stabilisiert den Komfort.
Hohe Energieeffizienz durch wassergeführte Leistung, leiser Betrieb, nahezu zugfreie Luftverteilung, modulare Skalierbarkeit und gestalterische Freiheit in der Decke. Zudem lässt sich die Leistung über Düsen und Volumenstrom sehr präzise auf Raum- und Nutzungsprofile abstimmen.
Entdecken Sie die Vorteile des aktiven Deckenkonvektors zum Heizen und Kühlen - effiziente und leistungsstarke Lösung für ein angenehmes Raumklima
Sind Sie auf der Suche nach einer modernen und effizienten Heiz- und Kühllösung, die sich nahtlos in Ihre Raumgestaltung und die Decke einfügt? Bei uns finden Sie das passende System für Ihre Bedürfnisse. Entdecken Sie die Vielfalt unserer Produkte und profitieren Sie von unseren maßgeschneiderten Lösungen für Wohnräume, Büros und öffentliche Gebäude.
Gerne unterstützen wir Sie unverbindlich bei der Beratung und Planung. Lassen Sie sich von unserer Auswahl inspirieren und genießen Sie ein komfortables Raumklima das ganze Jahr über!
enolution – Ihr Partner für innovative Heiz- und Kühllösungen.